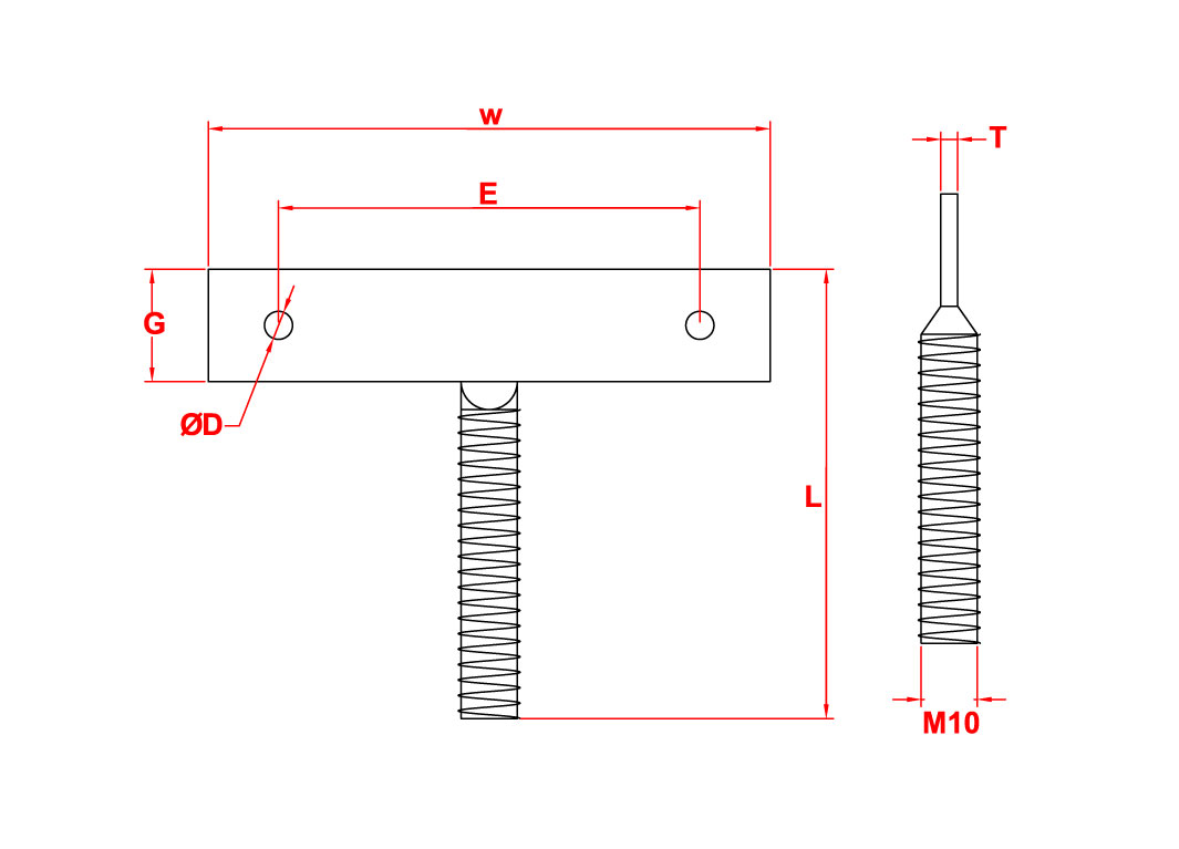
T Ayar Vidası

T Ayar Vidası

Ürün Kodu: NM-TAV-1-5
Etiketler: T Ayar Vidası ,

Duvar ve malzeme arasındaki boşluğu ayarlamak için kullanılır.
Aynı anda çift Taşların montajında pratik olarak kullanılır. Çarşaf
Metal istenilen ölçülere göre üretilebilmektedir.
430-304 -316 Kalite Paslanmaz Çelikten (INOX) üretilmiştir.